Direct-drive blower with forward-curve wheels are OEM replacements in many general heating, cooling, ventilating, or component cooling applications. Dynamically balanced to provide smooth, quiet operation and maintain cfm at higher static pressures. Mount in any position. Cast-aluminum end shields dissipate heat. Ball bearings. Rectangular outlet. Not for use with speed controllers.
Features
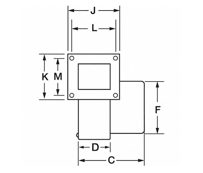
- Blower Outlet Shape: Rectangular
- With Flange: Yes
- Blower Wheel Diameter: 5 1/8 in
- Blower Wheel Width: 7 in
- Blower Voltage: 115V AC
- Blower Motor Type: Permanent Split Capacitor
- Blower Thermal Protection: Auto
- Blower Conduit Box: No
- CFM @ 0.000-In. SP: 463
- CFM @ 0.100-In. SP: 425
- CFM @ 0.200-In. SP: 388
- CFM @ 0.300-In. SP: 338
- CFM @ 0.400-In. SP: 250
- CFM @ 0.500-In. SP: 161
- CFM @ 0.600-In. SP: 50
- Hz: 50/60
- Phase: 1
- Full Load Amps: 1.28
- RPM: 1600
- Bearing Type: Ball
- Motor Enclosure: Open
- Motor Insulation: Class B
- Lead Length: 13 in
- Max. Ambient Temp. : 104 Degrees F
- Max. Inlet Temp. : 104 Degrees F












Reviews
There are no reviews yet.